Jump to content

Recommended Posts

Posted

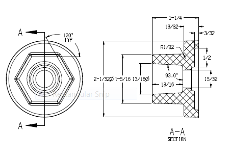
Can someone please tell me what AutoCad calls the comand for a section view like the one shown and where can I find it? Thank you in advance.

Capture.PNG

Posted

OK, I got the section view from the 3D solid onto my drawing, now where are is the comand to document it. you know the section A-A and the arrows. My old program in my last job did it all in one comand called section view.:?

Join the conversation

You can post now and register later. If you have an account, sign in now to post with your account.
Note: Your post will require moderator approval before it will be visible.

Guest
Unfortunately, your content contains terms that we do not allow. Please edit your content to remove the highlighted words below.
Reply to this topic...

×   Pasted as rich text.   Restore formatting

  Only 75 emoji are allowed.

×   Your link has been automatically embedded.   Display as a link instead

×   Your previous content has been restored.   Clear editor

×   You cannot paste images directly. Upload or insert images from URL.

×
×
  • Create New...