Jump to content

Recommended Posts

Posted (edited)

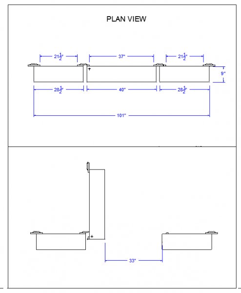
I have a problem when plot to pdf with this particular layout the dimensions shift out of place. Tried apply scale factor to layout dimensions only but no luck. This doesn't happen in other layouts. First screen shot is layout with dimensions in place, the second is the pdf and the dimensions are shifted or out of scale. Advise is appreciated.

PAPER_SPACE_DIMENSIONS.jpg

DWG_TO_PDF.jpg

Edited by woodworks

Join the conversation

You can post now and register later. If you have an account, sign in now to post with your account.
Note: Your post will require moderator approval before it will be visible.

Guest
Unfortunately, your content contains terms that we do not allow. Please edit your content to remove the highlighted words below.
Reply to this topic...

×   Pasted as rich text.   Restore formatting

  Only 75 emoji are allowed.

×   Your link has been automatically embedded.   Display as a link instead

×   Your previous content has been restored.   Clear editor

×   You cannot paste images directly. Upload or insert images from URL.

×
×
  • Create New...