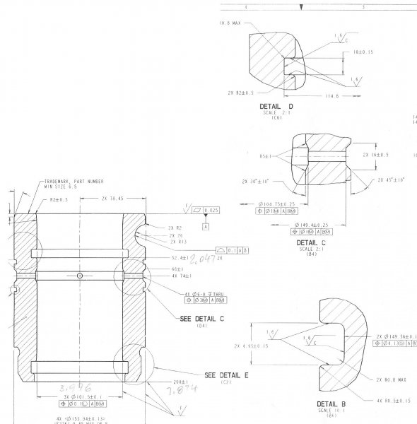
topgear Posted May 27, 2012 Posted May 27, 2012 What I exactly mean is I have a part like a cylinder with different small things in it, like below on the picture and I want to cut out a particular selection, a particular piece, so I can do dimensions of it on the side because obviously it would be too small to do it on the main part. So, where is the proper and simple way of doing it. The only way I can think of, is to it create a circle and use a trim feature, but it would be crazy and take too long. I want to do something similar like it looks on the picture. Thanks for the answers. Quote
nestly Posted May 28, 2012 Posted May 28, 2012 So, where is the proper and simple way of doing it. I guess it largely depends on whether you want to work soley in modelspace, or whether you're using Layouts/Viewports. Using only modelspace, it's pretty much what you described, draw the boundary, copy/paste it somewhere else, scale it up, then trim it out... that's the old school method. If however you use layouts and viewports, you simply make another viewport "off to the side" to view that portion of your original part at more appropriate scale for detailing.... no copying, moving, or trimming needed, efficient use of layers helps with either method, however it's particularly helpful when using viewports. Can you tell us which method you're currently using? Quote
Dadgad Posted May 28, 2012 Posted May 28, 2012 Welcome to the forum topgear. I agree with nestly, and my suggestion would be to create your DETAIL viewports in PAPERSPACE. It is probably worth mentioning however, that an additional viewport or viewports could be created in MODELSPACE (that does not constitute an endorsement, just mentioning), should there be some in-house reason why it needed to be done in MODELSPACE. It appears that the ones in your image were done in PAPERSPACE, based solely upon the white background, and seems that your DRAWING SHEET is also in PAPERSPACE, which is how I would do it. There are plenty of very smart folks who would disagree. Quote
topgear Posted May 28, 2012 Author Posted May 28, 2012 Thanks, then I guess it would be in paperspace, but did you notice how these cutouts are shaped "detail c" or "detail b", I don't think they used either tirm feature or viewport, but I guess I use trim feature maybe note sure yet Quote
Dadgad Posted May 28, 2012 Posted May 28, 2012 Thanks, then I guess it would be in paperspace, but did you notice how these cutouts are shaped "detail c" or "detail b", I don't think they used either tirm feature or viewport, but I guess I use trim feature maybe note sure yet You don't need to trim anything, as the edge or edges of the VIEWPORT define the outer limits of the window, through which you see only that which is placed behind it in MODELSPACE. Typically VIEWPORTS are created on a special layer, I call it MVIEW, and it should be set as a non-printing layer. In this way when printed you do not see the lines which define the edges of the DETAIL view. The ones in the drawing were almost certainly created in viewports. If you have a .dwg file which you are able to post, if need be you can delete any proprietary information, and it would be easy to ascertain. The viewports, if they are there, are either on a non-printing layer, which you can check in your LAYER dropdown list, or they are viewport frozen, but that is much less likely. Quote
nestly Posted May 28, 2012 Posted May 28, 2012 Here's a really quick demo of how multiple viewports can be used. In the video, I created 3 rectangular viewports to show different views/scales of the same part, but the viewports could be other shapes as well. Quote
JD Mather Posted May 29, 2012 Posted May 29, 2012 I guess it works for me. Viewports can be made any shape you want. You can have exaclty as depicted in your image post. Quote
rkent Posted May 29, 2012 Posted May 29, 2012 Thank You, I guess it works for me. In PaperSpace use the MVIEW command to create a viewport, make it current and zoom and pan to show the area and approximate size needed. Apply a proper scale factor to the viewport. Go out of the viewport and now in PS draw a pline any shape you desire over the top of the viewport. Now use the CLIP command, pick the viewport and then pick the pline. You can also go another route. While in PS draw a pline of any shape you want, then use MVIEW, Object, pick the pline. You have a viewport the shape of your pline. Now go into it and adjust zoom and pan around to show what you need. In either example you can edit the shape of the viewport with grips as well as other editing methods to get to the shape you desire. Be sure to lock the viewport after you get the scale set. Quote
topgear Posted May 30, 2012 Author Posted May 30, 2012 "JD Mather" and "rkent", can I do it in modelspace instead of paperspace? Quote
JD Mather Posted May 30, 2012 Posted May 30, 2012 Why would you do it in modelspace? Drawing viewports are done in paperspace. Quote
ReMark Posted May 30, 2012 Posted May 30, 2012 Create your viewports in your paper space layout. You can use the MVIEW command and the POLYGONAL option to create non-rectangular viewports. Quote
rkent Posted May 30, 2012 Posted May 30, 2012 "JD Mather" and "rkent", can I do it in modelspace instead of paperspace? No please don't, to do it in MS requires you to copy the model and trim, scale, etc. If the model changes or you add info to the detail it won't show in the other views. Quote
topgear Posted May 30, 2012 Author Posted May 30, 2012 Thank You for the tips, I got it now, one more thing, when I create more viewports and I want to delete some of the dimensions because they are in the way, they also delete in the main "big" viewport, is there something I can do about it? Quote
nestly Posted May 30, 2012 Posted May 30, 2012 Thank You for the tips, I got it now, one more thing, when I create more viewports and I want to delete some of the dimensions because they are in the way, they also delete in the main "big" viewport, is there something I can do about it? There are multiple ways to deal with dimension visibilty in layouts/viewports 1) Draw the dimensions in Paperspace. The dimensions are not in the model, they're on top of it. The advantage of this method is probably it's simplicity. You simply arrange the viewports as you want them to appear on the paper, then switch to Paperspace and start dimensioning, placing your dimensions, callouts, and texts exactly where the belong on the "paper". The disadvantage is that the dimensions aren't directly linked to the model, therefore if you need to change a viewport, or alter the model, any dimensions associated with that viewport will need to be re-done. 2) Use Annotative dimension. Annotative dimensions are like standard Modelspace dimensions except they automatically rescale themselves to the viewport scale, and they only show up in a viewport if you tell them to. The advantage is that a single dimension can be displayed in multiple scales, and it will always display at the proper scale. 3) Use a different layer for dimensions depending on the viewport scale. One of the big advantages of viewports is that you can change layer properties (including visibility) in each viewport. Basically, you'd put all your 1:1 dimension on one layer, and all the 1:4 dimensions on a different layer, then just turn off the 1:1 dimension layer in the 1:4 viewport(s) All of these methods are "easier" than copying, scaling, and trimming in Modelspace. I use all three methods occasionally, but my preferred method is #2 (annotative dimensions) however for the example in your first post, I'd probably recommend #1 (Paperspace dimensions) which is what I used in the demo I posted earlier. If you have a partial drawing, post it, and I'll be happy to do a more detailed video showing whichever method you'd like. Quote
topgear Posted May 31, 2012 Author Posted May 31, 2012 Great, but whatever I do for example I am in one of the viewports I turn on one of the layers, it happens the same in other viewports, how can I prevent it. Quote
rkent Posted May 31, 2012 Posted May 31, 2012 Great, but whatever I do for example I am in one of the viewports I turn on one of the layers, it the same in other viewports, how can I prevent it. In post 15, item 3 you are to make layer names for use with dims in each viewport. Then make the viewport current (double click over the viewport) and open the layer manager, go to the extreme right to VP layer and freeze the appropriate layers there. Quote
topgear Posted May 31, 2012 Author Posted May 31, 2012 Nice, no more questions, I hope it will also help others, Thank You for your help!!! Quote
Recommended Posts
Join the conversation
You can post now and register later. If you have an account, sign in now to post with your account.
Note: Your post will require moderator approval before it will be visible.