Jump to content

Recommended Posts

Posted

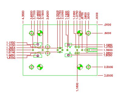
I haven't done this in several years, and my notes are apparently incomplete.

Enclosed is an image of the type of ordinate dimensioning that I want, and also my faulty notes. Maybe someone here can add the missing pieces. When I follow my notes, for some reason the UCS is displayed, whereas in the past it wasn't. I am using Version 2000 if it matters.

Thank you,

Gotchy

 

Notes:

Tools/New UCS/Origin

this yields small selection square

select top right hand corner, for the zero point, then from the Tool Bar:

Dimension/Ordinate, to mark the corner with zeroes.Image00256.jpg

Posted

That looks ok to me. Use UCSICON off to turn display off. I prefer to always have it showing.

Join the conversation

You can post now and register later. If you have an account, sign in now to post with your account.
Note: Your post will require moderator approval before it will be visible.

Guest
Unfortunately, your content contains terms that we do not allow. Please edit your content to remove the highlighted words below.
Reply to this topic...

×   Pasted as rich text.   Restore formatting

  Only 75 emoji are allowed.

×   Your link has been automatically embedded.   Display as a link instead

×   Your previous content has been restored.   Clear editor

×   You cannot paste images directly. Upload or insert images from URL.

×
×
  • Create New...