Jump to content

Recommended Posts

Posted

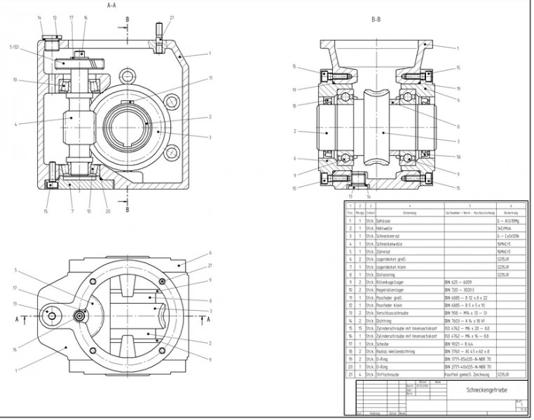
So, I have recently been offered a position to calculate the amount of metal that will be used to make aluminum parts. I've taking a look at some of the drafts given and most are 2D drafts of the Front/Side/Top views. I could use some advice on converting 2D drafts to 3D. Mostly i can visualize, but some of these parts are very complicated. Most CAD drafting i've done were school work, mostly 2D drafts. I'm usually good at finding my way around the program, but this is something i'd like to master. The work does not begin for a week, so just getting info for now.

 

I've attached a draft from the web that i found which is similar to the type of parts i will be working with. Untitled.jpg

Posted

This does not appear to be an easy task utilizing only 2D drawings given the complexity of the part. 3D would appear the way to go.

 

Have you any experience using Inventor? It might be better suited to this type of work.

Posted
... I could use some advice on converting 2D drafts to 3D.

 

Find all the 3D tutorials you can and start modeling.

You have about a 6-month learning curve ahead of you.

 

As you run into trouble - attach your 3D models here.

Posted

JDM: You are referring to learning Inventor correct?

Posted

Would you agree that the OP would be better off using Inventor for this type of work? Wouldn't it be easier is what I am asking.

Posted

I would consider the task to be something akin to torture in AutoCAD.

Posted
I would consider the task to be something akin to torture in AutoCAD.

I would agree with that statement.:lol: What about Fusion 360?

Posted

Inventor is going to be of no use to the OP if the company he will be working for doesn't have it.

Posted

Then again they might be willing to buy it. It wouldn't hurt to ask.

Join the conversation

You can post now and register later. If you have an account, sign in now to post with your account.
Note: Your post will require moderator approval before it will be visible.

Guest
Unfortunately, your content contains terms that we do not allow. Please edit your content to remove the highlighted words below.
Reply to this topic...

×   Pasted as rich text.   Restore formatting

  Only 75 emoji are allowed.

×   Your link has been automatically embedded.   Display as a link instead

×   Your previous content has been restored.   Clear editor

×   You cannot paste images directly. Upload or insert images from URL.

×
×
  • Create New...