Jump to content

Beginner, my part does not look like drawing part


Recommended Posts

Posted

Hi, everyone.

 

Not sure if this is an accepted post, but I'll try.

 

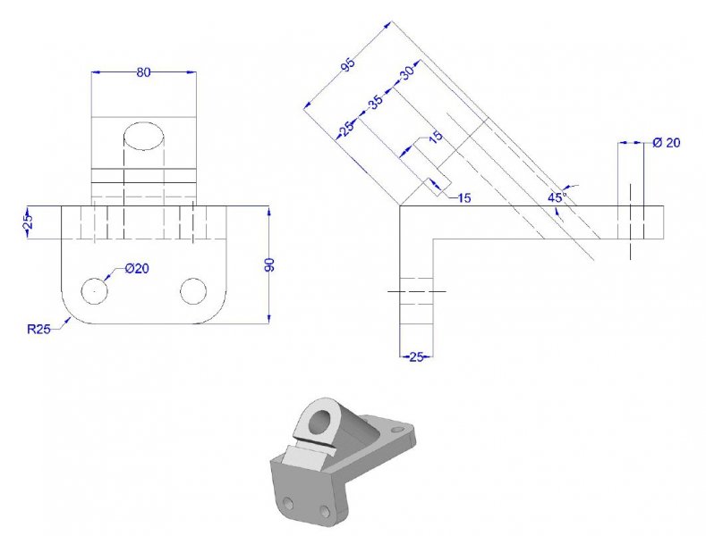
As you can see, the Ø30mm hole in my part looks "off" compared to the drawing, and I can for the life of me not understand why. In the drawing, the center of outer circle and inner seem to be coincident, but then the other geometry (the 15 mm extruded cut under the circle) is impossible.

 

I just wanted to know if I have misunderstood the drawing or if the drawing is wrong. If it is the last case, I'll consider using other exercises than those of 12cad.

60.SLDPRT

model.jpg

Posted

I dont have a solidworks install at this time but just going by the picture provided there is a discrepancy between the 3d part and the dimensioned layout. If these are your instructions than your part will not look like theirs.

Posted

The two views you show don't match the solid shown below those. Your model is a composite of the dims on the two views with the upper part rounded as indicated in that solid but not shown in the two views. The exercise may be way off in showing that solid model with those two ortho views. I opened and plotted your drawing, I would eliminate the upper curved surface since it is not shown in the ortho views and ignore the 3D solid view shown.

60.jpg

Posted

yeah their 3d view doesn't match their 2d views. Since this is the second error you've posted from these tutorials I would stop using them, unless they are aimed at helping you find mistakes ;)

Posted

Haha, good point! Thank you all for your help :)

Join the conversation

You can post now and register later. If you have an account, sign in now to post with your account.
Note: Your post will require moderator approval before it will be visible.

Guest
Unfortunately, your content contains terms that we do not allow. Please edit your content to remove the highlighted words below.
Reply to this topic...

×   Pasted as rich text.   Restore formatting

  Only 75 emoji are allowed.

×   Your link has been automatically embedded.   Display as a link instead

×   Your previous content has been restored.   Clear editor

×   You cannot paste images directly. Upload or insert images from URL.

×
×
  • Create New...