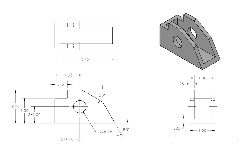
Zubat_3D Posted January 18, 2025 Posted January 18, 2025 Hello all, I just began taking Mechanical Design, and do 3D art in my free time, so CAD isn't that much of a stretch. Our instructor was not able to go over this assignment with us, and I have it modeled up to the point where the two angles must be subtracted. So far, I have not found a solution to this issue through a tutorial, so any help would be appreciated. The instructor wanted us to play around with subtracting 3D Wedges from the model to get the shapes. Quote
007 Posted January 19, 2025 Posted January 19, 2025 Subtracting wedges would not exactly be the most efficient method for creating the pictured object. Quote
paulmcz Posted January 19, 2025 Posted January 19, 2025 Explore "slice" command. It should make your life easier. slice.dwg Quote
BIGAL Posted January 19, 2025 Posted January 19, 2025 Just look at bottom left image if that is where you started then just extrude the shape then add a 2nd shape, extrude and subtract from original solid, angles done. Quote
SLW210 Posted January 20, 2025 Posted January 20, 2025 I draw in 2D as mush as possible for shapes, then extrude etc. You could use Chamfer Edges on that if already drawn, but some shapes do require subtracting a wedge, slice etc. Slice would be my preference of modifying that, though as simple as that object appears, I would redraw it 2D from the side view and extrude, the sides and the middle pieces, copy or mirror the sides then union. I can post an example of doing that tomorrow when I get to work. Quote
Cad64 Posted January 20, 2025 Posted January 20, 2025 1 hour ago, SLW210 said: I draw in 2D as mush as possible for shapes, then extrude etc. Same here. Draw in 2D as much as possible, then extrude. Makes life a lot easier. Quote
SLW210 Posted January 21, 2025 Posted January 21, 2025 Can you post what you have so far? There is also Taper Faces and Rotate Faces that come in handy. What type of 3D design are you doing? Cad64 is experienced in a good deal of 3D applications and has a very good YouTube page. I learned most of my techniques for 3D by trial and error and watching videos and reading tutorials once the internet was useful in those endeavors to refine and speed up my methods.. 1 Quote
SLW210 Posted January 21, 2025 Posted January 21, 2025 Only took a couple of minutes using extrude. I extruded the circle and side 1/4" (Subtract the circle to make a hole), then the back and bottom I extruded 1" the other direction, mirror the side using the midpoint of the bottom (you could also use Copy). I didn't Union, but you would then Union to make one piece. Quote
BIGAL Posted January 21, 2025 Posted January 21, 2025 Hey @Zubat_3D its your turn now, did you make the solid ? Quote
Drafting Teacher Posted January 22, 2025 Posted January 22, 2025 On 1/20/2025 at 8:54 AM, Cad64 said: Same here. Draw in 2D as much as possible, then extrude. Makes life a lot easier. Me too, however you folks would probably laugh at me if I told you what 3d program I use sometimes to build parts drawings. Anyway, I compile all my orthographic's, put them together, and then extrude. Works for me. Quote
nod684 Posted January 23, 2025 Posted January 23, 2025 IMO nothing needs to be subtracted. Draw the Side elevation then extrude. Copy that to another side. Back and bottom are just extrusions as well. Quote
Recommended Posts
Join the conversation
You can post now and register later. If you have an account, sign in now to post with your account.
Note: Your post will require moderator approval before it will be visible.