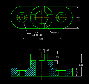
Behemothrex Posted November 24, 2012 Posted November 24, 2012 Hey All, Just thought I would throw this out there, I am doing a project and of course they said use only the views that are needed. And being an online class we really do not have much in the way of examples to go by. So I thought I would ask your opinion. Here is the drawing I am to reproduce. I figure I will do a front, and top view, no need really I don't think for a right side view. But what about an auxiliary or section view. And I don't really see the benefit of an Aux view as nothing is on an incline. So that leaves section, I would think possibly a full section if one is needed. As always thanks again for your thoughts and input. Quote
Dadgad Posted November 24, 2012 Posted November 24, 2012 You will need 4 views, or 3 views with a symmetry callout. I like using a symmetry note, because it helps to unclutter the drawing by eliminating redundancies. Quote
JD Mather Posted November 24, 2012 Posted November 24, 2012 You need two views. Top view. Front view as full section. Quote
Behemothrex Posted November 25, 2012 Author Posted November 25, 2012 (edited) Thanks Gentlemen, Yah I didn't think I needed an Aux view I will go bone up again on the symmetrical callouts, I remember reading about them but we never really focused on them. I still have quite a bit of time to get this together so I will get working on the basics and keep you updated on my progress. Hope you both had a great Thanksgiving and talk to you later. Okay here is a rough draft of just the basic forms. I had a couple questions before I get farther into it though. In the top view is the circular part with the four channels in it represented properly, it just seems a bit simple to me. I keep trying to visualize it in 3d but I think that's how you would represent it. Also in the front view when it comes to the hidden lines, representing the other channels seems straight forward, but do you need to represent the depth of the channels completely across the entire piece? Or do you need to represent the smaller diameter of the inner circle? One final query, the .63 dimension in the exact center of the drawing is that representing the depth of the channels from where the two parts meet then moving in an upward direction? And I know I need more center lines, etc. I was just working on it and about to call it for the night when those questions came up. Thanks again. Roughdraft.dwg Edited November 25, 2012 by Behemothrex Adding info, drawing Quote
Dana W Posted November 25, 2012 Posted November 25, 2012 The .63 is the depth of the channels measured from the top of the round protrusion to the bottom of the channels. It is very hard to see, but there is an arrowhead at the top of the protrusion pointing to the dimension, and another one directly below the dimension pointing up. There is an extension line adjacent to the bottom of one channel that the arrowhead pointing up to the dimension is touching. This is a common way to represent a dimension when the text and arrowheads will not fit between the extension or object lines. You must show clearly all the features of an object in height, width, and depth. The object must be presented so a craftsman who has never seen one before can build one. Rule #1 is, the only objects that require less than three views have an overall circumference in at least one of the three dimensions of our Universe. An example of one such object is a wheel of cheddar cheese. A right side view would be pointless, redundant, and superfluous. Rule #2 is Never dimension to a hidden (Dashed) line. That is one indicator that a section view is required. If you have to dimension to at least one hidden line, then cut it open in a section view so you can put every arrowhead or extension line on an object line. How to dimension the depth of the countersunk shoulder in your two small holes is a perfect example of this situation. By the way. I don't see any information that tells me whether the hole in the center of the object is through or is made to any specific depth. I would include a "Half Section" in my front, and side view, since the object is symmetrical in two directions. That will require an "L" shaped section plane line in my top view. Then, I only have to draw three views, the bare minimum. Quote
JD Mather Posted November 25, 2012 Posted November 25, 2012 One final query, the .63 dimension..... Double check your drawing. Add cutting plane phantom line. Quote
rkent Posted November 25, 2012 Posted November 25, 2012 There would be a slight jog at the top of the cylinder where the notch is cut through. Quote
Behemothrex Posted November 25, 2012 Author Posted November 25, 2012 Thanks guys, Once again you come through brilliantly. Got to say Dana your explanation about how to decide what views you need was an eye opener, it so simple, but of course until you hear it you don't understand it. It make total sense now when to section and when not to. And yes that drawing is very faint and hard to read the one in my book is a bit better. I do not think the center hole goes through as it does not have any dimensioning info on the drawing. I assume it ends were the two parts meet, but that's just my guess. Thanks for the sharp eye on the .63 dimension I thought it was going from the top of the bottom piece to the bottom of the channel but I can now see that it is indeed going from the top to the bottom of the channel especially since there is that small horizontal curved line representing the bottom line of the channel if it continued to curve. I understand the concept if something is circular not needing three views but I assumed that would be the case with this drawing as well as a right side view would not show anything that the front and top do not, am I mistaken in that thought? Especially if you do a full section in the front view. (oh eureka! I just figured your comment out, three views Top, Front, Front Sectioned... lol my brain she is working!) JD thanks for the work up, the drawing I originally submitted was just my rough dimensioning and layout I still had the section and dimension, etc to add, and of course the .63 dimension needs to be corrected. rkent thanks for the tip on the hidden lines after I submitted the drawing last night I went back to my original and added the same lines you have shown, so that makes me free somewhat better like I am getting it LOL. Curious why you would add the jog in the cylinder. I will put up a more completed version of my drawing as I get it done. Once again you guys are awesome and spending time on these forums has been a gold mine of info! Love getting the skinny from people that use the program in the real world. Quote
Dadgad Posted November 26, 2012 Posted November 26, 2012 (edited) There would be a slight jog at the top of the cylinder where the notch is cut through. Well spotted rkent. BR, as there has been a notch cut through the center of the cylindrical portion, there would be the jog which rkent mentioned. It will be easiest understood, if you look at it in plan view. You can see that the quadrant (at 9:00 o'clock for instance) of the circle is outside the line representing the remaining solid portions of the cylindrical shape. The slot running through the center of the cylinder seemingly shortens the diameter of the remaining parts viewed in that perspective. I suspect that the value which is represented as .63 is really .625 with a DIMSTYLE precision of 0.00, purely conjecture, as that would be 1/2 of the 1.25 depth which is clear of the base portion. You should draw it as dimensioned though, that is just a suspicion. Edited November 26, 2012 by Dadgad Quote
JD Mather Posted November 26, 2012 Posted November 26, 2012 (edited) rkent thanks for the tip on the hidden lines after I submitted the drawing last night I went back to my original and added the same lines you have shown, so that makes me free somewhat better like I am getting it LOL. Curious why you would add the jog in the cylinder... Hidden lines are not needed if done as full section. Things like that jog are easy to miss if doing only 2D - but automatic if modeling 3D (like the real world) and generating the 2D from the 3D (single source of truth). Start getting into 3D as soon as possible (even if your instructor isn't ready to lead you there yet - do it on your own). AutoCAD 2013 will generate the 2D for you. Extract and Open the attached file in Design Review (or your browser) and go to the Back or Front view on the glass cube in upper right corner of screen. (ignore upside down) Examine the sides of the cylinder. Now revolve slowly to see why the jog is there. Views needed.zip Edited November 26, 2012 by JD Mather Quote
Behemothrex Posted November 27, 2012 Author Posted November 27, 2012 Okay you guys continue to expand my mind LOL. Thought rkent was seeing things, until you explained it a bit, it took a few minutes of staring at the drawing, then sort of like one of those magic eye pictures I saw what you were talking about Dadgad. Either my instructor was planning on just overlooking that detail or he was being tricksy. The drawing is from a section of the book we have not even covered yet, so maybe it was just an oversight on his part. JD I am getting ready to finish up this semester at the end of December and will have about a month before the next one starts so maybe I will dive into the tutorials here and start working on 3D. Honestly I had not even thought about it yet as I figured that was beyond my capabilities, but hell I can always do tutorials and mess about, I taught myself Photoshop after all LOL. And I know there has to be immensely easier ways to do things than I am doing them now,but that just comes from experience I guess. Thanks for the tip about Design Review did not know that existed, downloading it now. WOW okay JD that example clears up the problem, no doubt the jog exists. I can see I have some fun ahead of me learning to model in 3D. I will post the final drawing probably tomorrow. Thanks again everyone! Quote
Behemothrex Posted December 1, 2012 Author Posted December 1, 2012 Project.dwg Okay Gents here is a more complete version of my project. I had a few questions if you would be so kind. First off are my section line arrows pointing the right way? Also when the section line covers another line such as the center line on the right bolt hole, do you delete the center line or just leave it? And I have the same problem with my dimension lines covering up the top part of my center lines on the bolt holes. I was able to figure out how to turn off the centermarks on the radius dimensions but I found no setting in properties to prevent the normal dimension lines form covering the existing center line. Is there one. I noticed on JD's example that his dimension lines stop at the center lines. Also are there any accepted or standard colors for things such as object, center lines, hidden lines extra. I just happened to fall into the color scheme I am using but not sure if that is the standard, have seen many different colors for various elements. The final project is going to be using a viewport in layout view simulating a drawing ready to go to print. But using green as my object line color makes the drawing hard to see, but if I change them to black they are hard to see in model mode LOL. I guess this is a question for my professor since he may only wish to see the final view not the model view. Okay before this becomes the text wall of doom, I will end it here. Thanks again for any input or suggestions. Oh and I did a half section because the book and the instructor has stressed doing things the most efficient and time saving ways. Quote
JD Mather Posted December 1, 2012 Posted December 1, 2012 Dimension to the center marks - not to the hole centerpoint. Leading zeros should be suppressed on an inch drawing ex .50 rather than 0.50 (by ANSI/ASME Y14.41 standard) I was tempted to do as a half section as well. But you have not done it correctly. There should be only one label (A) in a half section - next to the arrow. The front view is wrong delete it. Move the section view (at right to the location where you now have the front view. I told you and showed you that you should only have two views for this example. It is my opinion that the hole goes all the way through since a depth isn't given. There should be no cutting plane or arrows or in the section view. Label the section view Section A. In general (but not set in stone) - if you have a view with no dimensions - the view isn't needed. You dimensioned the .63 to a hidden line. Do not dimension to hidden lines, that is the purpose of creating a section view. BTW - I did this as a 3d model with the software creating the 2D views (including hidden lines, section and hatch) in less than 3 minutes. But of course you will move your dimensions to the section view. Quote
Dadgad Posted December 1, 2012 Posted December 1, 2012 You might want to use the color "7", which will display as black on a light background, and white on a black background, which will be much easier to read than the green lines as shown in your paperspace. Quote
JD Mather Posted December 1, 2012 Posted December 1, 2012 I forgot to mention that I set my paperspace background to black as well - so there is no difference in viewing in modelspace or paperspace. I set my plot style to plot monochrome (all black). In my layers I set lineweight for object lines at 0.5mm centerlines, hidden lines, dimensions, notes at 0.25mm hatch at 0.13mm cutting plane at 0.7mm (or maybe 0.6) use a thick line for boarders, thin lines within titleblock. Text height .125 arrows .125 (there are a bunch of things in the default dimension styles that are not ANSI standard) I create an inch and a metric template to ANSI standards with ABCD boarders and titleblocks already set up on layout tabs. Set it once and then forget it. Quote
Behemothrex Posted December 1, 2012 Author Posted December 1, 2012 Once again thanks for all the great tips. Our instructor has never mentioned setting up templates to any standards yet. I have always just used the default line weights unless I need a heavier line, but I will definitely set up some templates. Great tip about color "7" did not even catch that in the pallet, I just figured out you can have viewport and model space colors as well. My instructor sent a template to use for the title block etc, so shouldn't need to change any of that. Yah our section view chapter was very light on detail so thanks JD for the corrections. The dimensioning to the center mark tip is one of those DOH moments its so obvious but eludes you until someone shows it to you, thanks. I think I am done at this point, only problem I am having is the center line for the main hole is overlapping the object line, as that is where the half section is. Is that normal, I don't think you could use a center line as a section delineation that just doesn't seem right, but having them overlap doesn't seem right either. ProjectA.dwg Thanks again! Quote
JD Mather Posted December 2, 2012 Posted December 2, 2012 There should not be a gap between the center mark and the extension line. Pick the other end of the centermark line (I fixed except on one side - see red circle). (keep in mind that it will all print out in black (monochrome). I would move the .75 outside the arrows as the arrows do not have enough of a leg. My book shows either centerline or object line for the edge of the half section. I think you have a choice for this, but try to find a reference in your book in case the instructor objects to whichever method you choose so you can say, "I used the reference on page..." Quote
Behemothrex Posted December 2, 2012 Author Posted December 2, 2012 Thanks JD, yah didn't think you should have them both on top of one another. I will look it up for sure, but I like the center line alone better. Thanks again guys for all the help I will let you know what my instructor says. Quote
Dana W Posted December 2, 2012 Posted December 2, 2012 [ATTACH]38928[/ATTACH] Okay Gents here is a more complete version of my project. I had a few questions if you would be so kind. First off are my section line arrows pointing the right way? Also when the section line covers another line such as the center line on the right bolt hole, do you delete the center line or just leave it? And I have the same problem with my dimension lines covering up the top part of my center lines on the bolt holes. I was able to figure out how to turn off the centermarks on the radius dimensions but I found no setting in properties to prevent the normal dimension lines form covering the existing center line. Is there one. I noticed on JD's example that his dimension lines stop at the center lines. Also are there any accepted or standard colors for things such as object, center lines, hidden lines extra. I just happened to fall into the color scheme I am using but not sure if that is the standard, have seen many different colors for various elements. The final project is going to be using a viewport in layout view simulating a drawing ready to go to print. But using green as my object line color makes the drawing hard to see, but if I change them to black they are hard to see in model mode LOL. I guess this is a question for my professor since he may only wish to see the final view not the model view. Okay before this becomes the text wall of doom, I will end it here. Thanks again for any input or suggestions. Oh and I did a half section because the book and the instructor has stressed doing things the most efficient and time saving ways. Right now, the colors really don't matter at all to anybody but you, if you are printing in monochrome using a monochrome plot style. Worry more about color when you get more heavy into layers. Make your colors easy to see and easy to tell apart for now. Each company that employs draftspeople will have their own way of using standards. (Why does that sound oxymoronic?) You will often find that 'standards' in drafting are sorta like unicorns and fairies, nice to think about but hard to find in the real world. There have been volumes written on this very forum about drafting standards so I will stop now. There are even members who insist they are real. Line thickness/boldness/width on paper is what counts in the end. There are widely accepted norms for that, pretty much universally, at least in a relationship sense rather than a list of specific sizes for specific line types. Normally. the edges of your objects primary surfaces are the thickest lines, and section hatching is often the thinnest. I like to make my dimension lines very thin, with the extension lines a hair thinner than my object lines. None of the thicknesses vary more than a hundredth or two from each other. You'll just have to play with it. Oh, and don't depend on the lineweight display toggle button on your screen to tell you much. It's a nice toy, but it has a variable fatness intensity ratio that can be changed on your options dialog, so it is more of a survey than a science. Here's another answer that I didn't see addressed in detail yet. On the properties sheet, you can turn one or both dimension extension lines on or off just for one or more particular selected dimensions. The properties sheet can be used as a 'style' override in many ways. Click the 'Lines and arrows' heading open. You will see it. Just turn off the extension line that is covering up your center line. Extension line one is the one that starts your dimension, in the order you laid them down. You can also grab the extension line by its 'node', that point where it touches your object, and slide it up to the arrow until it disappears into the dimension line end grip. The extension lines are stretchy in both directions, unless you are using fixed length extension lines, the purpose of which escapes me at the moment. Of course this maneuver, moving the dimension node, wreaks havoc with the dim's association to the object, and once you set it down on the dimension line grip, you cannot get it back, so it is not recommended. Another way, when (or if) you get to the part of class where you create your own more custom dimension styles, you will see where you can create a style of dimension with a center line, or any other line type, including none at all, that actually is one (or both) of the extension lines. I have one style set up for myself that has no line at position 1 and a center line at position 2. I do a type of drawing which often requires long strings of unequal center to center dimensions. I just let my dimension style do my center lines for me, using the continue dimension option, after I manually draw in an extension line at either end of the multiple on center dimensions. The hardest part of setting up this dimension style was getting the linetype scale set right. It was like pushing a wet rope up a wall, trial and mostly error. Plot preview is highly unreliable. Anyway, Yay, ain't this fun? Quote
Behemothrex Posted December 2, 2012 Author Posted December 2, 2012 Oh the fun is never ending! I was messing about in the properties quite a bit when I was doing my dimensions, never thought about simply grabbing the node and moving it LOL. Now using the dimension lines to draw in your center lines, that is another one for the vault. I guess I am a bit obsessed with the colors and such as we are not printing anything. But in reality as you said it would all just print in black and white anyway, so nicely colored center lines would mean squat. I am looking forward to learning all about the quirks of Autocad I just need to get off my butt during the semester break and play a bit. My next official class is going to be dealing with Architectural drawing, so yah a whole new set of standards that no one follows! LOL Thanks and I'll be back! Just a warning. Quote
Recommended Posts
Join the conversation
You can post now and register later. If you have an account, sign in now to post with your account.
Note: Your post will require moderator approval before it will be visible.