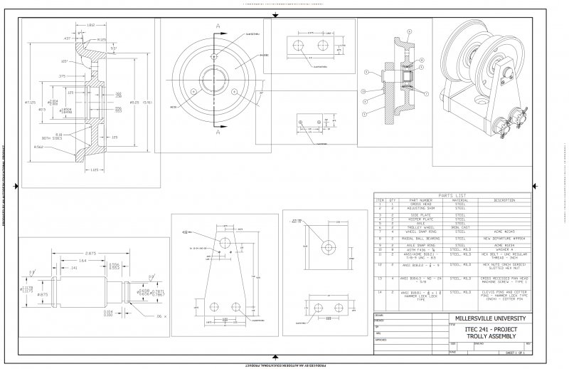
sean214 Posted December 5, 2012 Posted December 5, 2012 instructions http://www.mediafire.com/view/?l6xdfm6rtclo1t4 dwg attached Okay I know the measurements are a hard to see in the pdf but do my isometric drawings look correct? many thanks project241.dwg Quote
Ajcraig99 Posted December 5, 2012 Posted December 5, 2012 You need hidden lines, center lines and consistency in your outlines, you have used 3 different layers for outlines. The iso looks correct but could be some technicalities that i have not noticed (im no expert). Your lines also dont need to be so thick, set them to default. Quote
rkent Posted December 5, 2012 Posted December 5, 2012 The left most drawing you have several lines that are supposed to be at 0 or 90 degrees but instead are off slightly, be sure to use Polar or Ortho when drawing those lines. You need some center lines. The iso looks good, you can copy the large circle back and trim most of it away because you would see the back part of that large circle. The bottom line on the front view is made of two lines, don't do that, it should be one line. The next one you left out hidden lines in the top view, front view and right side view. Center lines needed for ortho views. The third from the left you can copy the iso circles back and trim to show thickness. Center lines needed on ortho views. Quote
sean214 Posted December 5, 2012 Author Posted December 5, 2012 Ajcraig99, rkent - okay i will make the corrections you guys suggested thanks Quote
sean214 Posted December 5, 2012 Author Posted December 5, 2012 1. how do i add center lines to the isometrics...i already added them to the other drawings? 2. how do i draw the back circles? 3. ''The bottom line on the front view is made of two lines, don't do that, it should be one line'', im not sure where your talking 4. Is there a reason why the circles in the side plate keep turning into polygons? Quote
JD Mather Posted December 5, 2012 Posted December 5, 2012 4. Is there a reason why the circles in the side plate keep turning into polygons? Type viewres type 2000 Enter enter enter type Re Enter something like that. Quote
ReMark Posted December 5, 2012 Posted December 5, 2012 VIEWRES Do you want fast zooms? [Yes/No] : press the Enter key to accept default Enter circle zoom percent (1-20000) : 5000 then press the Enter key Regenerating model. You're done. Quote
rkent Posted December 5, 2012 Posted December 5, 2012 1. set polar to 30 degrees or work in iso mode and draw the lines. 2. you copy the circle using the upper right edge you have already drawn as a reference, so copy, pick circle, endpoint to line, endpoint to other end of line 3. left most front view 4. viewres (already covered) Quote
sean214 Posted December 5, 2012 Author Posted December 5, 2012 alrighty, will make the changes later Quote
sean214 Posted December 6, 2012 Author Posted December 6, 2012 im gonna just take a break...be back with some many questions:D project241.dwg Quote
sean214 Posted December 6, 2012 Author Posted December 6, 2012 yeah thats the updated dwg....havent gotten much far Quote
sean214 Posted December 8, 2012 Author Posted December 8, 2012 i cannot draw the wheel i tried all day Quote
ReMark Posted December 8, 2012 Posted December 8, 2012 And what exactly seems to be the problem? Do you have all the required dimensions to create the profile (first image)? How far have you gotten? Quote
JD Mather Posted December 8, 2012 Posted December 8, 2012 i cannot draw the wheel i tried all day 2D or 3D? Attach the dwg file of what you have attempted here. Quote
sean214 Posted December 9, 2012 Author Posted December 9, 2012 okay i attached the file and now i need help completing it and assembling 2D or 3D?Attach the dwg file of what you have attempted here. big paper two.dwg Quote
sean214 Posted December 9, 2012 Author Posted December 9, 2012 The problem is that I m having a hard time visualizing the isometric and the side view fillets aren't measuring up with the outer isometric of the wheel. Quote
JD Mather Posted December 9, 2012 Posted December 9, 2012 ahh, so you are (trying) to do it as 2D isometric. I would consider that torture to do it that way when it is so much easier to do as 3D. Good luck! I think it was discovered a while back that the real world is not flat. Quote
ReMark Posted December 9, 2012 Posted December 9, 2012 I'm sure JDM can talk you through the rough spots. Keep trying. Quote
sean214 Posted December 9, 2012 Author Posted December 9, 2012 I think it was discovered a while back that the real world is not flat. people were real dumb back then Quote
Recommended Posts
Join the conversation
You can post now and register later. If you have an account, sign in now to post with your account.
Note: Your post will require moderator approval before it will be visible.