Jump to content

50 year old draft. Help me!


Recommended Posts

Posted (edited)

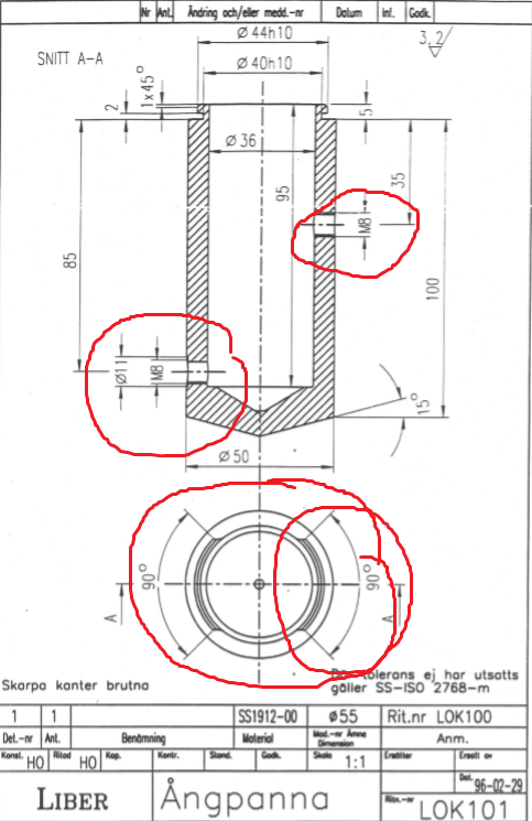
Hello my name is Matilda and I need some help with understanding the circled areas. How do I reproduce  them in Fusion 360? 

 

LOK1 inringad.png

Edited by MatildaOlsson
Posted

In the cutaway section shown at the top the two areas that you have circled are holes passing through the wall of the object.  And in the top view shown below it the circled objects are the upper most rim which I assume is used to lock the object into another mating piece.  I'm not familiar with Fusion 360.  However, in AutoCAD the holes could be created a couple of different ways.  One way would be to construct cylinders from extruded circles and subtract them from the main body of the object.  As for the other object it would be created as part of the whole by drawing a profile representing one half of the object then then revolving it around its centerline.

Posted

Man, I really need to do more on Fusion :(
Could you start a new sketch on each side to make the holes?

Posted

ReMark
I try to do that but in not so skilled in fusion but i did try to do half of the sketch and do a revolve. It did work thank god. And for the holes i did a fast way hole create and marked the point on the sketch. It worked to and thank you for the tips. 

f700es 
You can do that but I could not do it because I had some trouble to get the offside right and I was kind of stressed out. But i made it.

Posted

The M8 that you circled in the top view denotes threaded holes.  M8 is s standard metric thread of 8mm dia, and 1.25 mm or 1 mm per thread.

 

This video outlines the process in Fusion 360.

Join the conversation

You can post now and register later. If you have an account, sign in now to post with your account.
Note: Your post will require moderator approval before it will be visible.

Guest
Unfortunately, your content contains terms that we do not allow. Please edit your content to remove the highlighted words below.
Reply to this topic...

×   Pasted as rich text.   Restore formatting

  Only 75 emoji are allowed.

×   Your link has been automatically embedded.   Display as a link instead

×   Your previous content has been restored.   Clear editor

×   You cannot paste images directly. Upload or insert images from URL.

×
×
  • Create New...