basty Posted August 27, 2023 Posted August 27, 2023 (edited) If there is 3 holes with diameter of 10 mm, in the technical drawing it should be written as 3 × ⌀10 mm. What do you call/say the "3 × ⌀10 mm" in English? Thank you Edited August 27, 2023 by basty Quote
BIGAL Posted August 27, 2023 Posted August 27, 2023 What do you call/say the "3 × ⌀10 mm" in English. Quote
basty Posted August 29, 2023 Author Posted August 29, 2023 Is it: three multiply ten milimeter diameter? Quote
BIGAL Posted August 29, 2023 Posted August 29, 2023 (edited) So long as its clear to understand, could use 3 x ⌀10, 3 x 10⌀ as your dwg is metric. I did not look for technical standards. Some one else ? Edited August 29, 2023 by BIGAL Quote
SLW210 Posted August 30, 2023 Posted August 30, 2023 3X Ø10 is usually the way you see it. The Diameter Symbol should go in front of the hole size in case a tolerance is needed behind it. If you mean as it would be spoken out, ten millimeter diameter holes in three places. From GDT manual examples. Quote
basty Posted August 30, 2023 Author Posted August 30, 2023 What I meant is, how do you pronounce "3 × ⌀10" in English? Quote
SLW210 Posted August 30, 2023 Posted August 30, 2023 I answered that as well. Same as the written out. Ten millimeter diameter holes in three places. Edit: changed 3 to three and 10 to ten and mm to millimeter. Quote
basty Posted August 30, 2023 Author Posted August 30, 2023 So, the English pronounce of "3 × ⌀10" is "10mm diameter holes in 3 places"? Quote
basty Posted August 30, 2023 Author Posted August 30, 2023 OK, thank you very much for the answer. Quote
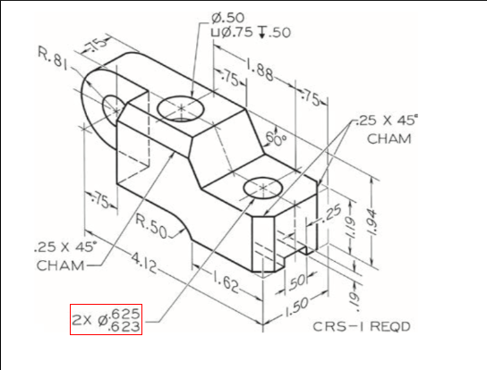
basty Posted August 30, 2023 Author Posted August 30, 2023 I would like to ask again. What is the pronounce of this (see attached image please in a red rectangle)? Quote
ReMark Posted August 30, 2023 Posted August 30, 2023 It's a tolerance value. Tolerance is the total amount a dimension may vary and is the difference between the upper (maximum) and lower (minimum) limits. 1 Quote
basty Posted August 31, 2023 Author Posted August 31, 2023 So, how do I pronounce it in English, in the technical drawing term? Quote
BIGAL Posted August 31, 2023 Posted August 31, 2023 (edited) upper maximum and lower minimum diameter limits. Or 0.624 diameter with + - 0.001 tolerance. Sounds like an imperial size with a one, one thousands of an inch tolerance. 1 / 1000. Edited August 31, 2023 by BIGAL Quote
ReMark Posted August 31, 2023 Posted August 31, 2023 6 hours ago, basty said: So, how do I pronounce it in English, in the technical drawing term? It is a tolerance value. Quote
Recommended Posts
Join the conversation
You can post now and register later. If you have an account, sign in now to post with your account.
Note: Your post will require moderator approval before it will be visible.