Jump to content

i want to draw this using only line tool ,arc and pline


Recommended Posts

Posted

i want to draw this using only line tool ,arc and pline

 

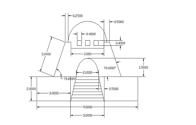
mazar-e-quaid.JPG

 

First i set the area to 12x9 ,

and i've already drawn the rectangle at the bottom of this pic.

 

Command: pline

From point: 0,0

Current line-width is 0.0000

Arc/Close/Halfwidth/Length/Undo/Width/: @9

Arc/Close/Halfwidth/Length/Undo/Width/: @2

Arc/Close/Halfwidth/Length/Undo/Width/: @9

Arc/Close/Halfwidth/Length/Undo/Width/: c

 

as you can see the ladder is placed exactly in the middle,

can anyone tell me how can i draw ladder exactly in the middle using Commands ??

 

and on the left side of the picture, the line with 70degree angle having length 3.0 is drawn from which point ??? (i mean how to select that point from which i can draw this line )

  • Replies 24
  • Created
  • Last Reply

Top Posters In This Topic

  • XuFyan

    10

  • ReMark

    6

  • memphis710

    4

  • eldon

    3

Top Posters In This Topic

Posted Images

Posted

not a complete answer but.....

you have the luxury of a symmetrical design, so you need only draw half of it, and MIRROR the whole thing at the end. this will also avoid the centre-line issue with the ladder, as it will now be at one side until the last step.

Posted

Looks straightforward to do with the 3 commands you suggest. Are you trying to draw this as a challenge? (eg only using the command line) I only ask as you ask 'can anyone tell me how can i draw ladder exactly in the middle using Commands ??'

 

Autocad has grips that assist with placing objects on the midpoint of a line which will help position the ladder in the centre and the 70 degree line also.

 

In command line, you would probably need to use co-ordinates so, the centre line of the ladder is 4.5 to the left. To draw the centre line, the command would be:

 

Command: pline

From point: 4.5,0

Current line-width is 0.0000

Arc/Close/Halfwidth/Length/Undo/Width/: @2

Arc/Close/Halfwidth/Length/Undo/Width/: c

 

The angled line is similar, work out the starting point co-ordinate and draw a line 3.0 long @ 70 degrees:

 

Command: pline

From point: 7.5,2

Current line-width is 0.0000

Arc/Close/Halfwidth/Length/Undo/Width/: @3

Arc/Close/Halfwidth/Length/Undo/Width/: c

 

This any help?

 

Ollie

Posted
not a complete answer but.....

you have the luxury of a symmetrical design, so you need only draw half of it, and MIRROR the whole thing at the end. this will also avoid the centre-line issue with the ladder, as it will now be at one side until the last step.

 

Nice and sneaky.... depends how strict about only using the 3 commands XuFyan is. :D

Posted

if really strict it can almost be done in a single polyline!

Posted

Thanks alot all of you.

i've drawn rectangle and the two borders (left and right) of the wall and the two line of length 3 and angle 70degree :)

i've used rectangle to draw the bottom rectangle of 9x2,

and drawn the borders of the ladder using a polyline tool....but as you can see there are 8steps in ladder, how can i draw all of them using a single pline ??

and how to draw the curve which is above the ladder using arc ??

 

here is my work.

http://img695.imageshack.us/img695/662/58949448.jpg

Posted

Just been trying it out with plines. Can get the stairs okay (with a bit of trig.... no stipulation of extra maths not being allowed!) and there are some dims missing / info that can be assumed. but it is possible.... Just needs more thought than 15.52 on a friday.....

 

drawing.JPG

Posted
Just been trying it out with plines. Can get the stairs okay (with a bit of trig.... no stipulation of extra maths not being allowed!) and there are some dims missing / info that can be assumed. but it is possible.... Just needs more thought than 15.52 on a friday.....

 

how did you make the stairs ?? and how did you made those three rectangles exactly between the centre ??

Posted

the curve above the stairs is not an ARC , am i right ?? then how it can be drawn ??

Posted

By drawing a Polyline with two straight lines. Then go into Pedit, define the tangents and Fit curve.

CurveFit.jpg

Posted (edited)

i've created this so far,

I didn't understand what you've said,

i have drawn this so far

Command: line

From point: 0,0

 

To point: @9

 

To point: @2

 

To point: @9

 

To point: c

 

Command: line

From point: 3,0

 

To point: 3.5,2

 

To point: *Cancel*

 

Command: line

From point: 6,0

 

To point: 5.5,2

 

To point: *Cancel*

 

Command: line

From point: 1.5,2

 

To point: @3

 

To point: @0.5

 

To point: @0.6

 

To point: @3

 

To point: @0.6

 

To point: @0.5

 

To point: @3

 

To point: *Cancel*

 

how to draw that curve above the stairs ?? and how to draw each step in the stair using Commands ?

 

mazar-e-quaid.JPG

Edited by XuFyan
Posted

I cannot understand your need to draw this using only Line, Arc and Pline. Are you allowed to use the Modify tools?

 

To get all the ends of the lines, you should go through the whole figure and calculate coordinates. I would not do it like that, but would construct the various elements.

As you so rightly point out, the shape above the stairs is not an Arc, and the only way to draw a non-arc polyline is to curve fit it after you have drawn it, or to use a spline (which you are not allowed to do). :cry:

Posted

yes modify tools are allowed and please give me a clue to draw the stairs and the curve at the TOP

Posted

The way I would draw the stairs is to draw the two side lines, and then offset the bottom line by 0.25 multiple times until you reached the top. Then trim using the sides.

 

The arch I would draw with a polyline to the coordinates shown. Then go into Pedit, Edit Vertex, and define the tangents at each lower point. Then Fit curve.

StairsArch.jpg

Posted
I cannot understand your need to draw this using only Line, Arc and Pline.

 

I'd say the challenge!

 

"how did you make the stairs ?? and how did you made those three rectangles exactly between the centre ??"

 

I worked out the angle of the two lines bounding the stairs (using trig) As you can get the length of all 3 lines making a triangle and one angle is 90 deg. I then worked out at each step, how much the vertical angled lines reduced the step width each time it ascended... If I get 5 mins ill do some steps with the maths noted on the side. Again with the 3 squares was more maths to work out the co-ordinates for the lines. The 3.0 line @70 degrees doesn't add up though. Some of the figures of the upper part aren't right....

 

How you getting on... Screenshot would be good?

 

Ollie

Posted (edited)

You should have had this all drawn up long before this. This is taking way more effort than it should even for a novice.

 

The question has been asked at least twice but you continue to avoid answering it. Why the use of just the three commands (line, arc, polyline)? Even r14 has more than just these three commands.

 

What about Array? That would work well for the stairs.

 

It also appears a couple of dimensions might be missing.

 

The topmost half-circle can be drawn using the 2P option of the Circle command and picking the midpoint (Osnaps are allowed right?) of the two horizontal lines that are 0.5 in length.

 

I could also see the use (not necessarily the need as Eldon demonstrates above) of the Ellipse command to form the arch.

Edited by ReMark
Posted

I got bored doing a deck design. Needed a break. :shock:

 

ZuFyan_2.jpg

Posted

Great Drawn :)

Can i have the commands :(

i am still not able to draw the stairs and the Top Circle and the the arc above the stairs ,

you've said to use pline to draw arc above the stairs , but there is no option of tangents in pline

 

I got bored doing a deck design. Needed a break. :shock:

 

[ATTACH]22578[/ATTACH]

Posted

I provided instructions on how to draw the top circle, the archway and the stairs in a previous post (#16). Perhaps you did not read the entire post.

 

I did not use the Pline command to draw the arc (archway) above the stairs. I used the Ellipse command.

 

The stairs can be constructed using AutoCAD's Array command (pick the Rectangular option - 8 rows, 1 column with a row spacing of 0.25) OR you can use the Offset command and offset the bottom line, and each subsequent line, in turn, using an 0.25 offset distance.

Posted

So should i've to use Trim command after using array for stairs ?? because the stairs are crossing the left and right walls

Join the conversation

You can post now and register later. If you have an account, sign in now to post with your account.
Note: Your post will require moderator approval before it will be visible.

Guest
Unfortunately, your content contains terms that we do not allow. Please edit your content to remove the highlighted words below.
Reply to this topic...

×   Pasted as rich text.   Restore formatting

  Only 75 emoji are allowed.

×   Your link has been automatically embedded.   Display as a link instead

×   Your previous content has been restored.   Clear editor

×   You cannot paste images directly. Upload or insert images from URL.


×
×
  • Create New...